[Ultrasharp Silicon Cantilevers] [MOLECULAR DEVICES AND TOOLS FOR NANOTECHNOLOGY]
Main page of Ultrasharp Silicon Cantilevers
The package Ultrasharp Silicon Cantilevers
Ultrasharp Silicon Cantilever Tests
SC11 and SC21 series with triangular springs
[Ultrasharp Silicon Cantilevers]

[V]   SC12 series of Ultrasharp silicon cantilevers with straight springs

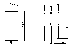
The main feature of SC12 series of Ultrasharp silicon cantilevers is a tip's position on the spring. The tip is located very close to the edge of the spring. It is very convenient for deep trench scanning. SC12 series cantilever chip has six straight springs with different characteristics that allows to choose easily the spring you need.

[Ultrasharp silicon cantilevers chip of SC12 series includes 6 straight springs]
[/\]   Ultrasharp silicon cantilevers chip of SC12
      series includes 6 straight springs. Thickness
      of the chip is 0.45 mm.



[SEM images of CONTACT Ultrasharp silicon cantilever tip (SC12 series)]       [SEM images of CONTACT Ultrasharp silicon cantilever tip (SC12 series)]
    [/\]   SEM images of CONTACT Ultrasharp silicon cantilever tip
          (SC12 series).



SC12 series of Ultrasharp silicon cantilevers specifications

  Canti-
lever
type
Cantilever
length,
l, um
Cantilever
width,
w, um
* Cantilever
thickness, um
* Resonant
frequency, kHz
* Force
constant, N/m
min typical max min typical max min typical max
Contact
A 120 35 0.9 1.0 1.1 70 90 110 0.5 0.7 1.0
B 90 35 0.9 1.0 1.1 130 160 190 1.2 1.7 2.3
C 130 35 0.9 1.0 1.1 60 75 90 0.4 0.6 0.8
D 300 35 0.9 1.0 1.1 12 15 18 0.03 0.05 0.07
E 350 35 0.9 1.0 1.1 8 10 12 0.02 0.03 0.04
F 250 35 0.9 1.0 1.1 16 20 24 0.06 0.08 0.10
Nocontact
A 120 35 1.9 2.0 2.1 140 180 220 5 6 7
B 90 35 1.9 2.0 2.1 260 320 380 12 14 16
C 130 35 1.9 2.0 2.1 120 150 180 4.0 4.5 5.5
D 300 35 1.9 2.0 2.1 25 30 35 0.30 0.35 0.45
E 350 35 1.9 2.0 2.1 16 20 24 0.20 0.25 0.30
F 250 35 1.9 2.0 2.1 32 40 48 0.55 0.65 0.75
A supplementary specifications sheet detailing the exact values of the labeled * parameters to each UltraSharp silicon cantilevers package

If you have any specific wishes or demands,
PLEASE CONTACT US: usharp@ntmdt.zgrad.ru

Copyright © 1998, NT-MDT
Send comments to bykovav@ntmdt.zgrad.ru